top of page
FAIRINO 協働ロボット FR16
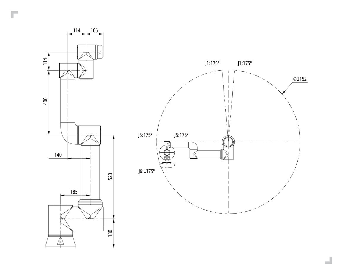
ペイロードは16kg、最大リーチは1,034mm、繰り返し精度は±0.03mm、最高速度は1.0m/s、本体重量は約40kg(ワイヤー類を除く)です。

ヘビーデューティタスクの要求を効率的かつ確実に処理できるコボットで、高ペイロードの自動化タスクに適しています。
FR16は、速度、負荷、安全性のバランスを取り、FAIRINOコボットの献身性、安全性、信頼性を備えています。
主な特徴:
・コアコンポーネントは自社開発・自社生産で、特許取得済みの設計スキーム、モジュール設計スキーム、完全なクローズドループ・ジョイントトルクフィードバックにより、安全性と効率性を確保しています。
・保護等級IP54を取得しており、あらゆるアプリケーション環境に対応できます(オプションで保護等級IP65にも対応できます)。
・グラフィカルなプログラミング、スムーズなドラッグティーチング機能、多軸リンク、簡単な統合を採用しています。
・ROSによる二次開発をサポートしています。
・FAIRINOが独自に開発したオープンプラットフォームは、様々な通信プロトコルをサポートしており、ロボットシステムインテグレーターに利便性を提供します。
主な用途:
品質検査
仕様
図面
お問い合わせ
bottom of page